通过对现有传动设计方案进行分析及优化,使设备性能得到提升,降低能耗,增加可靠性。
客户收益——可靠、降耗、增效
1)制造商设备已完成整体设计或制造阶段
配合设备制造商,利用软件分析和相关应用经验,对现有已经完成之应用设计方案进行分析,优化其选用轴承结构及轴承布置方案。满足其对设备性能提升、降低能耗,增加稳定性可靠性等方面的需要。
2)业主使用阶段,对性能提升需求
针对业主客户,对使用过程中需要性能提升的要求,为其提供优化的轴承结构及轴承布置解决方案,满足其提高性能,降低能耗,增加稳定性可靠性等方面的需要--可靠、降耗、增效
优化设计案例——自动除尘机用精密交叉滚子轴承
应用背景:
客户为国外知名品牌除尘设备制造企业,该项目为特殊行业用除尘设备,工作时,除尘机在轨道上面做直线运动,对多个需除尘部位进行自动除尘操作。需要除尘传输管路可以在一定范围内伸缩回环并定位,在直线运动过程中,保证管路接口位置的稳定性。以便可以准确对接相应的除尘接口。
轴承位于连接管路与除尘机机箱的连接部位。该设备承载较轻,轴承轴向受力最大在 300kg,管路连接件最长长度为 2m,轴承工作时候承受一定的倾覆力矩,最大为 50N.M,要求轴承定位稳定性要高,因为除尘过程还会有一定的冲击载荷,因此对轴承的抗冲击性能以及刚性均有较高的要求。
同时,客户希望轴承连接与管路及机箱通过连接法兰进行连接,这样相当于关节手臂的运动形式。客户原设计采用配对角接触球轴承,通过设置预载荷的大小,提高轴承的刚性,但是因为配对角接触球轴承安装需要轴及座孔配合,以及配置预载荷与安装后的预载荷会有一定的差异,造成产品安装后,回转扭矩会有较大差异,而且安装周边制造也较为繁琐。
因此客户希望 KIS 根据其使用工况,提供更适宜的轴承应用。
客户需求:
该产品应用于除尘机可回旋连接管路固定底座,客户要求使用过程中,管路在手持操作定位时,旋转灵活,同时整体管壁要定位稳定,并保持一定的阻尼感,避免设轴承备自动工作直线移动时,因管路端部位置变化,对连接管件准确性造成影响。客户要求的轴承旋转定位精度在 0.005mm,同时在连接管路前端的位置变量不超过 1mm。同时旋转扭矩要求在 5±0.5N.M 范围内。使用寿命要求,摆动寿命两万次以上(±90°),测试摆动频次 10 次每分钟。
客户痛点:
客户原使用配对角接触球轴承,虽然产品精度和刚度可以达到使用要求,但是因为需要轴承与轴及座孔之间进行配合,配合量的大小偏差,对轴承的预紧量有一定影响,造成管路连接件批量回转扭矩稳定性差,相互差在 1N.M 以上,需要多次调整才可以满足使用要求,而且安装过程较为繁琐,安装调试时间久,安装效率低,严重影响产品的批量生产效率。 因此客户现在迫切需要我们解决其痛点,为其提供最合适的产品应用。
方案确定:
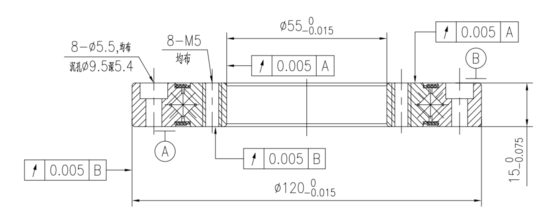
根据与客户充分沟通,了解客户的工况要求,KIS 为客户选择精密交叉滚子型轴承,该产品滚动体为圆柱滚子型,呈 90°在内外圈滚道内间隔分布,这样既可以承受轴向、径向载荷,还可以承受一定的倾覆力矩,而且具有精度高、刚性好的特点,按照客户的需要,还可以选用内外圈具有安装孔的形式,这样可以与客户的基座与管件法兰之间直接进行联系,安装更便捷。可以采用带有预负载的负游隙设计,这样在转动时,可以提供稳定的预载扭矩,保证客户使用。该产品的轴向、径向跳动可以控制在 0.005mm 以内,完全可以满足客户的使用需要。
优化后的安装示意图参考图 1 及图 2
图1
图2
图3
图4
利用轴承专业寿命分析软件对轴承寿命及静态安全分析结果,寿命和静态安全系数可以完全满足客户需求。(分析过程图片参考图 5~图 8)

图5轴承安装及受力示意图
图 6 内外圈滚道接触应力

图 8 轴承寿命及静态安全系数计算结果
产品交付客户使用:
产品交付客户后,客户反馈,因为轴承自带安装孔,简化周边安装结构,安装操作时间由原来四个小时压缩到两个小时以内,管件端部变量不超过 0.3mm,而且转动时扭矩稳定,在 4.8~5.2N.M 之间,完全满足客户设计要求。
客户经加强疲劳测试,摆动批次超过 5 万次以上,定位精度还能保持在设计范围以内。
目前客户时间已经超过三年,反馈良好。目前该系列产品已经批量稳定使用。